电源芯片-ASP3605I
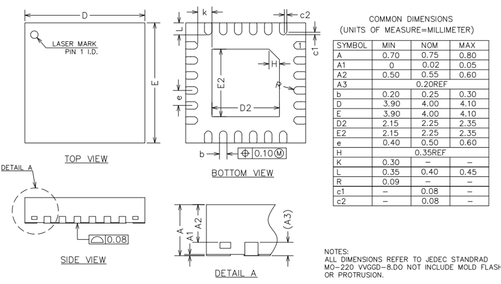
ASP3605I是国科安芯研制的一款和LTC3605完全兼容的电源芯片,具有高效率、低纹波、大电流等特点。该芯片电源效率、电流、输入输出范围等指标与LTC3605芯片一致。该芯片支持4V至15V的输入电压,输出电压范围为0.6V至5.5V,每路输出电流4A,典型工况效率94%。该芯片设计、生产、封装、测试等全流程国产化,支持软错误防护。
产品详情
- 最高效率:94%
- 输出电流:5A
- VIN范围:4V~15V
- 集成N沟道功率MOSFET
- 可调频率:800kHz~4MHz
- 多相操作:最多支持12相级联
- 输出跟踪
- 0.6V参考精度:±1%
- 纹波:典型值4.5mV
- 电流控制模式,具有良好的负载、线性调整率
- 采用软错误防护技术
- 高安全
- IO接口支持断电高阻欠压保护过流保护
解决方案

新能源汽车

商业航天

机器人
—— 小批量购买,请点击进入线上商城下单。
—— 大批量采购,请直接通过在线咨询或电话(0592-6228-898)联系我们。
相关产品
查看所有新产品MCU芯片-AS32I401
AS32I401是国科安芯研制的一款基于RISC-V架构的工业级MCU芯片,具有完全自主可控、高安全、接口丰富等特点。基于RISC-V架构,支持RV32IMZicsr指令集,主频120MHz,支持CANFD、以太网、LIN、ADC、DAC等接口。可应用于机器人关节控制、特种工业、电力、军工等高安全需求场景。芯片设计、流片、生产、封装、测试、认证等全流程国产化。
通讯接口芯片-ASM1042I
ASM1042I是国科安芯研制的一款CANFD通信接口芯片,具有高速率、高耐压、IO兼容性强等特点。速率达5Mbps,共模输入电压±30V,总线故障保护电压±70V,支持3.3V和5V MCU IO接口。可应用于机器人、工业、医疗设备等高安全应用场景。芯片设计、生产、封装、测试等全流程国产化,和TJA1042、TCAN1042完全兼容。
电源芯片-ASP3605A
ASP3605A是国科安芯研制的一款和LTC3605完全兼容的电源芯片,具有高效率、低纹波、大电流等特点。该芯片电源效率、电流、输入输出范围等指标与LTC3605芯片一致。该芯片支持4V至15V的输入电压,输出电压范围为0.6V至5.5V,每路输出电流5A,典型工况效率94%。该芯片设计、生产、封装、测试等全流程国产化,支持软错误防护,可提供AEC-Q100 grade1车规认证。
MCU芯片-AS32S401
是一款基于32位RISC-V指令集、面向商业航天领域的MCU处理器芯片。主频高达120MHz,双核锁步架构,产品具有高安全、低失效、多IO、低成本等特点,具有抗辐照特性,抗辐照指标为SEL ≥75MeV.cm²/mg,SEU ≥75MeV.cm²/mg,可应用于商业航天等安全关键领域。



