电源芯片-ASP3605S
ASP3605S是国科安芯研制的一款DCDC电源芯片,具有高效率、低纹波、大电流等特点。ASP3605S典型效率86.48%,常用场景纹波范围4.17mV~10.67mV,输出电流4A,该芯片支持4V~15V的输入电压,输出电压范围为0.6V~5.5V。ASP3605S采用先进抗辐照工艺设计,可应用于商业航天等高安全需求场景。提供国产化证明,芯片设计、流片、生产、封装、测试等全流程国产化,和LTC3605完全兼容。
产品详情
最高效率:94%
输出电流:4A
VIN范围:4V~15V
集成功率N沟道MOSFET
可调频率:800kHz~4MHz
多相操作:最多支持12相级联
输出跟踪
0.6V参考精度:±1%
纹波:典型值4.5mV
电流控制模式,具有良好的负载、线性调整率
SEU : ≥75MeV.cm²/mg或次/器件·天
SEL : ≥75MeV.cm²/mg
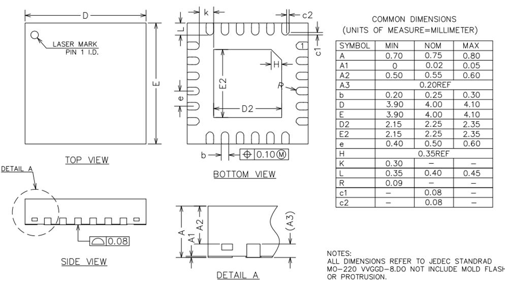
封装:QFN24(4mm×4mm)
抗辐照:
SEU≥75MeV.cm²/mg or 10^(-5) times/device.day
SEL≥75MeV.cm²/mg
车规认证:AEC-Q100
国产化证明:广五所国产化证明
解决方案

新能源汽车

商业航天

机器人
—— 小批量购买,请点击进入线上商城下单。
—— 大批量采购,请直接通过在线咨询或电话(0592-6228-898)联系我们。
相关产品
查看所有新产品电源芯片-ASP3605I
ASP3605I是国科安芯研制的一款和LTC3605完全兼容的电源芯片,具有高效率、低纹波、大电流等特点。该芯片电源效率、电流、输入输出范围等指标与LTC3605芯片一致。该芯片支持4V至15V的输入电压,输出电压范围为0.6V至5.5V,每路输出电流5A,典型工况效率94%。该芯片设计、生产、封装、测试等全流程国产化,支持软错误防护。
MCU芯片-AS32I401
AS32I401是国科安芯研制的一款基于RISC-V架构的工业级MCU芯片,具有完全自主可控、高安全、接口丰富等特点。基于RISC-V架构,支持RV32IMZicsr指令集,主频120MHz,支持CANFD、以太网、LIN、ADC、DAC等接口。可应用于机器人关节控制、特种工业、电力、军工等高安全需求场景。芯片设计、流片、生产、封装、测试、认证等全流程国产化。
通讯接口芯片-ASM1042I
ASM1042I是国科安芯研制的一款CANFD通信接口芯片,具有高速率、高耐压、IO兼容性强等特点。速率达5Mbps,共模输入电压±30V,总线故障保护电压±70V,支持3.3V和5V MCU IO接口。可应用于机器人、工业、医疗设备等高安全应用场景。芯片设计、生产、封装、测试等全流程国产化,和TJA1042、TCAN1042完全兼容。
电源芯片-ASP3605A
ASP3605A是国科安芯研制的一款和LTC3605完全兼容的电源芯片,具有高效率、低纹波、大电流等特点。该芯片电源效率、电流、输入输出范围等指标与LTC3605芯片一致。该芯片支持4V至15V的输入电压,输出电压范围为0.6V至5.5V,每路输出电流5A,典型工况效率94%。该芯片设计、生产、封装、测试等全流程国产化,支持软错误防护,可提供AEC-Q100 grade1车规认证。



